您的位置:首页 > 资讯 > 叉车技术 > 正文

TLF型同轴流量放大器的工作原理及故障排除

2006-09-15 00:00 性质:转载 作者:李锦1 , 宋德朝2,刘金龙3 来源:来稿
免责声明:中叉网(www.chinaforklift.com)尊重合法版权,反对侵权盗版。(凡是我网所转载之文章,文中所有文字内容和图片视频之知识产权均系原作者和机构所有。文章内容观点,与本网无关。如有需要删除,敬请来电商榷!)
(1. 李锦韶关学院 广东韶关 512005 2.宋德朝 同济大学 上海 200092 3. 刘金龙镇江液压件厂 江苏镇江 212005)...

  (1. 李锦 韶关学院  广东韶关 512005   2.宋德朝  同济大学  上海 200092  3. 刘金龙
镇江液压件厂  江苏镇江 212005)

  摘要:由于TLF型同轴流量放大器具有流量放大能力,且有体积小、重量轻、微调特性好、压力损失小、安装布置方便、价格便宜等优点。在铰接工业车辆(如装载机、平地机、矿用汽车、叉车、拖拉机、木材搬运机和各种小型车辆等)上得到广泛应用。因而,对TLF型同轴流量放大器的工作原理和常见故障的了解,有助于提高我们的生产工作效率。
  关键词:流量放大;工作原理;故障排除
  中图分类号:    文献标示码: A       文章编号:7445
Operation principle for model TLF coaxial flow amplifying steering and its trouble removal
Li Jin,  Song De-chao,  Liu Jin-long

  (1. Shaoguan university, Shaoguan 512005, Guangdong , China;   2. Tongji university, Shanghai 200092, China;   3. Zhenjiang Hydraulic Components Manufacturing Co Ltd, Zhenjiang 212005, Jiangsu, China)
  Abstract: Because model TLF-coaxial flow amplifier was flow amplification ability, it also provides the following features: compact volume and light weight, good adjusting characteristics and small pressure loss, convenient installation layout and reasonable prices. It was used in the area of industry applications of articulated vehicles (such as loaders, graders, mining vehicles, forklifts, tractors, haulers as well as the small-size vehicles). Thus, to work principle and common trouble of model TLF coaxial flow amplifying steering understanding, that is helpful to enhance our production working efficiency.
  Keywords: Flow amplification, Operation principle, Trouble removal
  TLF系列负荷传感流量放大全液压转向器(简称同轴流量放大器)。是一种具有流量放大能力的静液压转向元件。在低速转向时(10rpm),转向元件的有效排量与计量排量相等;在输入转速增加时(10-40rpm),有效排量随输入转速的增加而增大;当输入转速大于40rpm时,转向元件的有效排量基本恒定在其标定的当量排量。与现有的全液压转向器比较,同轴流量放大转向器具有体积小、重量轻、微调特性好、压力损失小、安装布置方便、价格便宜等优点。因此,其在铰接工业车辆(如装载机、平地机、矿用汽车、叉车、拖拉机、木材搬运机和各种小型车辆等)上得到广泛应用。
  1.TLF型同轴流量放大器的主要组成及作用[1]
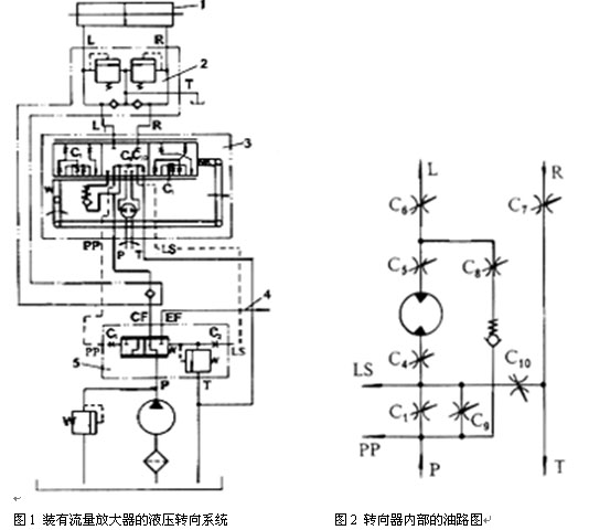
  同轴流量放大器和传统的BZZ系列全液压转向器一样,由控制转向阀和摆线计量装置等组成。阀套上有各种槽和孔,槽孔间形成各种节流口。图2是沿某一方向转动方向盘时,转向器内部油路图。阀芯相对阀套偏转,打开除C9和C10以外和各个变节流口,使压力油通过摆线计量装置进入转向液压缸,被油液推动的转子,带动阀套沿阀芯转动方向运动,关闭变节流口,使供给转向缸的油液体积与方向盘转角成正比。同轴流量放大器中,控制转阀上设置了一个负荷传感变节流口C1,外接的优先阀控制其两端压差,使它保持恒定,于是该节流口的开口面积与流通量成正比。
  同轴流量放大器还在控制转阀上增设了流量放大节流口C8,该节流口上游接节流口C1的上游,其开度与节流口C1的开度同步变化,形成一条与包括计量装置在内的控制油路并联的浪量放大油路,因此,供给缸的油量等于通过控制油路的流量和放大油路的流量总和。
  放大油路中串联了一个单向阀。当转向液压缸达到行星终点时,该阀可防止油液沿放大油路倒流,避免形成转向器内部油液环流,从而使系统压力上升,直至转向缸已达到终点。
 


  Fig1. With the flow of the hydraulic steering system amplifier   Fig2. Steering internal Circuit chart
  
  1.转向液压缸 2. 组合阀块3. 同轴流量放大器 4.供工作油路 5. 优先阀
  2.TLF型同轴流量放大器的工作原理
  未转动方向盘时,同轴流量放大器的阀芯与阀套无相对转动。除节流口C9、C10外,其余节流口关闭。由于C9的油液阻力很大,在C9、C10的分压作用下,LS油口保持低压。这时,只要PP油口有较低压力,便可以将优先阀阀芯推向右侧,关小通往转向油路的阀口,使大部分油液经过EF油口供给工作油路。
  当沿某一方向转动方向盘时,关闭C9、C10,打开其他变节流口。改变节流口C1的开度与方向盘转速成正比,当方向盘处于某一转速时,C1对应有一开度。如果受到某种干扰,使流经转向油路的流量增加,引起C1两端压差增加,通过PP油口和LS油口传到优先阀阀芯两端,推致力阀芯右移,关小通向转向油路和阀口,减小转向油路流量,直至C1两端压差恢复到变化以前的数值,相反,当外干扰引起流量减小时,C1两压差减小,使优先阀阀芯左移,开大通向转向油路的阀口,增加转向油路的流量,优先阀保持C1两端压差基本不变。流经C1的流量与方向盘转速成正比。由于串联的变节流口C8和单向阀放大油路与串联的C1、C4、C5及摆线计量装置的控制油路并联,并且C8的开度与和C1的开度同步变化,因此供给转向缸的油液流量应为:
Q =nq(1+N•SQRT(1+(Δp1+Δp2+Δp3)/Δp4))
式中 n----方向盘转速(r/min),q----计量装置排量(L/r), N----阀套上构成C8的孔数除以构成C1孔数之比,Δp1----上压降之和(Mpa), Δp2-----计量装置上的压降(Mpa),Δp3  -----单向阀上压降(Mpa),Δp4-----的压降(Mpa),若Δp1+Δp2=Δp3 则Q=nq(1+N)这时,供给转向液压缸的流量等于通过计量装置流量的N+1倍[1]。
  图1所示系统是同轴流量放大器与优先阀配合,能够优先按转向油路要求,分配流量,液压泵剩余流量可以全部供给工作油路。如果转向油路和工作油路不同时出现在最大流量要求,液压泵供油量只要稍大于两油路需求流量较大者即可。
  3.TLF型同轴流量放大器常见故障与排除
  (1) 结合面、轴颈或后盖垫圈处渗油 。
  故障原因(一一对应与排除方法):①结合面有脏物或紧固螺栓松动;②结合面或轴颈处胶圈损坏;③后盖螺栓垫圈不平或损坏。排除方法:①清除脏物,拧紧螺栓;②更换新胶圈;③磨平或更换垫圈。
  (2) 慢转方向盘时正常,快转方向盘时沉重 。
  故障原因(一一对应与排除方法):①油泵供油不足;②优先阀与转向器之间管路压力损失太大;③优先阀阀芯卡死;④优先阀与转向器之间的控制油路有空气。排除方法:①修理或更换油泵;②选用控制压力较大的优先控制弹簧,或重新设计管路改用外控型优先阀;③排除卡死故障或更换优先阀;④转动方向盘,使转向轮至极限位置后继续转动方向盘,迫使转向安全阀打开,排除空气。
  (3) 油中有泡沫,发出不规则响声,转动方向盘时油缸时动时不动 。
  故障原因:转向系统中有空气 。排除方法:①检查油面高度,补足油箱内的油液;②检查吸油管路是否漏气并加以排除;③排除系统中的空气。
  (4) 快转与慢转方向盘时均沉重 。
  故障原因:阀体内钢球单向阀失效。 排除方法:更换钢球或清除脏物 。
  (5)无负荷时轻,有负荷时沉 。
  故障原因:①转向安全阀或系统溢流阀调定压力值,低于工作需要的压力;②转向安全阀或系统溢流阀卡住;③油液粘度太大。排除方法:①重新调整转向安全阀和系统溢流阀;②清除脏物;③更换为合格油液。
  (6) 转向轮转到极限位置时,转动方向盘仍很轻便。
  故障原因:双向缓冲调定压力值低于转向安全阀调定压力值 。排除方法:重新调整双向缓冲阀,使其开启压力高于转向安全阀调定压力值4~6MPa 。
  (7) 方向盘不能自动回中,中间位置压力降增加。
  故障原因:弹簧片折断。排除方法:更换已损坏的弹簧片。
  (8) 压力振摆明显增加,甚至不能转动。
  故障原因:拨销、联动轴开口折断或变形更换拨销或联动轴。排除方法:更换拨销或联动轴(严禁用其它东西代替)。
  (9) 方向盘自转或左右摆动。
  故障原因:转子与联动轴相互位置装错。排除方法:重新装配(转子齿底凹槽与联动轴端面冲点标记位置对齐) 。
  4.小结
  鉴于TLF型同轴流量放大器在装载机、平地机、矿用汽车、叉车、拖拉机、木材搬运机和各种小型车辆等各种工程车辆应用广泛,本文对TLF型同轴流量放大器的工作原理及其常见故障进行了分析,有助于我们在工程实际当中遇到类似故障情况得到及时解决,从而提高工作效率,确保工作任务的及时完成。

参考文献:
[1]黄振德, 李福荣, 吴继飞. 同轴流量放大器及其应用[J]. 工程机械,1999,(12):29-30.

作者简介:李锦 (1979--), 男,湖南耒阳人,广东韶关学院讲师,同济大学在读硕士学位研究生,主要从事汽车与工程车辆方面的研究。
联系电话:13553614017或 13602249623   通讯地址:广东韶关学院韩家山校区1栋204    邮编:512005
e-mail: lijin@sgu.edu.cn

热点资讯

关注官方微信

手机扫码看新闻