您的位置:首页 > 整机 > 其它搬运工具 > 其它 > 其它 > 产品详情

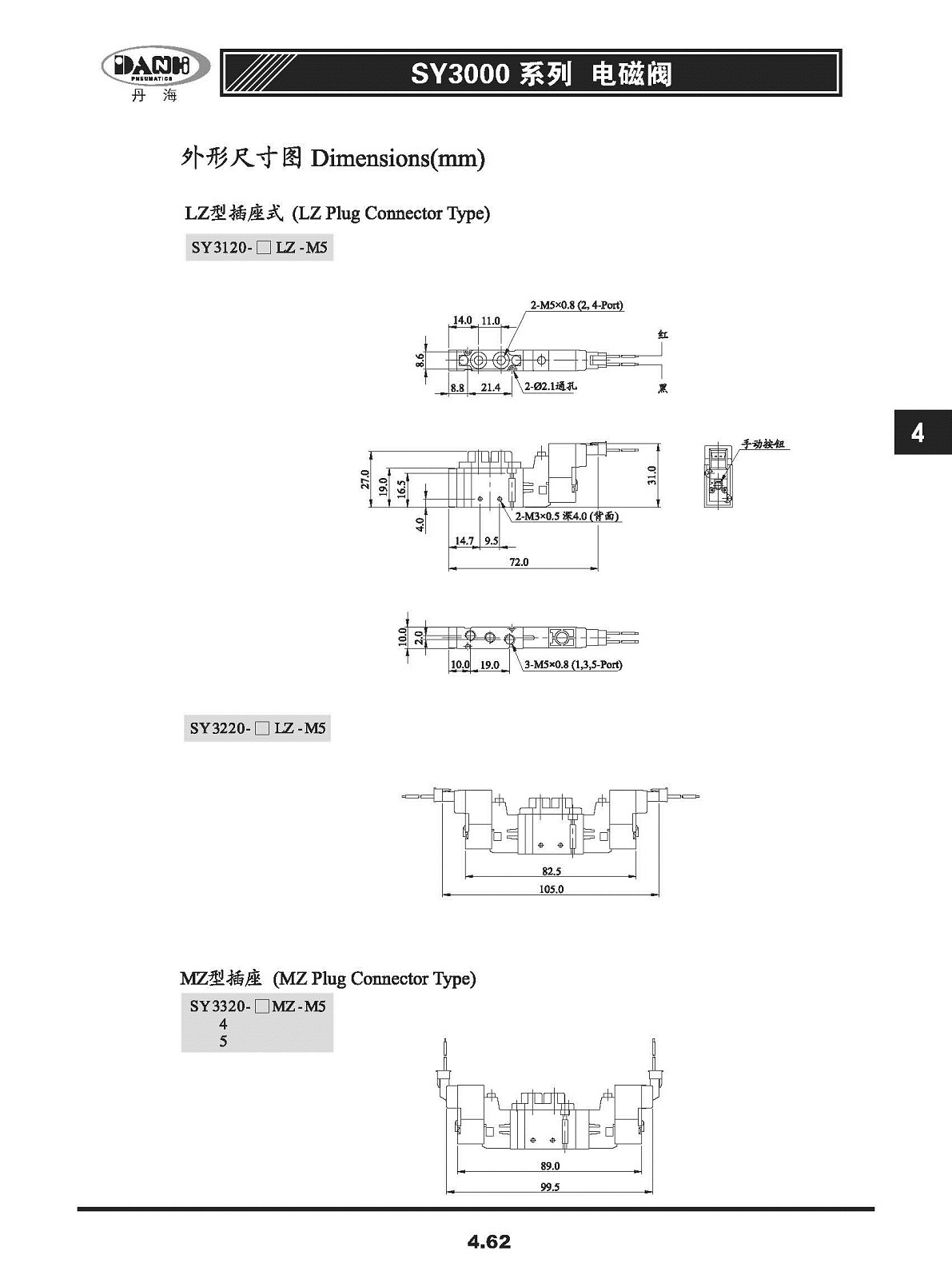
韩国DANHI丹海SY3120电磁阀气动换向阀

韩国DANHI丹海SY3120电磁阀气动换向阀

  • 品牌:韩国DANHI丹海
  • 最小起订:1 
  • 有效期至:长期有效
  • 更新时间:2026-01-26 09:19
  • 立即询价

    加入收藏

    中国叉车网(www.chinaforklift.com)客服咨询

普通商家

产品详情

产品参数

产品图片




SY3120,SY3220,SY3320,SY3420,SY3520,韩国电磁阀,进口电磁阀,气动电磁阀,控制气阀,电磁换向阀,换向阀,二位五通气动电磁阀,换向电磁阀,气动电磁换向阀,换向气阀,二位五通气动阀,二位五通电磁换向阀,气动电磁控制阀,气阀电子阀,电子阀气阀,电磁阀气阀,控制气动阀,二位五通电磁气动换向阀,气缸控制换向阀,气缸气阀,气路转换阀,气缸电磁阀,二位五通阀,二位五通气阀,五口二位电磁阀,二位五通控制换向阀,单控5通电磁阀,双控5通电磁阀,二位五通单电控电磁阀,两位五通阀,二位五通电磁阀,焊机电磁阀,焊机阀,铝机阀,铝机电磁阀,焊机铝机专用电磁阀,二位五通单头电磁阀,2位5通单头电磁阀,二位五通调节阀,单电控二位五通,单电控2位5通,二位五通单电控,2位5通单电控,气动双向电磁阀,单控五通电磁阀,AC220V电磁阀,DC24V电磁阀,机械电磁阀,阀门电磁阀,二位五通控制气缸,2位5通控制气缸,进口五通电磁阀,进口5通电磁阀,进口2位5通电磁阀,进口两位五通电磁阀,韩国换向阀,韩国气动阀,五口电磁阀,5口电磁阀,5通电磁阀,五通电磁阀,先导式电磁阀,气动控制阀,气缸控制阀,2位5通电磁阀,两位五通电磁阀,气缸换向阀,二位五通换向阀。