您好,
帐号管理
收藏夹
退出
消息
0
请登录
免费注册
发布订购
English
手机关注
微信号:chinaforklift
关注官方微信
m.chinaforklift.com
手机扫码看新闻
我的办公室
销售
发布产品
管理产品
求购
发布求购
管理求购
添加收藏
关于我们
广告服务
中叉网广告服务
配件网广告服务
属具网广告服务
关键词排名
会员升级
帮助中心
常见问题
买家帮助
卖家帮助
问题反馈
网站导航
资讯
公司
品牌
整机
配件
属具
二手
租赁
采购
展会
视频
招聘
求职
专题
百科
期刊
首页
资讯
公司
品牌
整机
配件
属具
二手
租赁
采购
展会
视频
招聘
求职
专题
百科
期刊
AGV
安全
地图
供应信息
制造商铺
代理商铺
配件商铺
国产叉车
进口叉车
合资叉车
叉车配件
叉车属具
叉车安全
防爆叉车
电动叉车
堆高机
燃料电池
整机品牌
配件品牌
属具品牌
配件商:
资讯
资讯
公司
品牌
整机
配件
属具
采购
展会
视频
专题
百科
期刊
搜索
代理商:
制造商:
您的位置:
首页
>
整机
>
叉车整机
>
内燃平衡重式叉车
> 产品详情
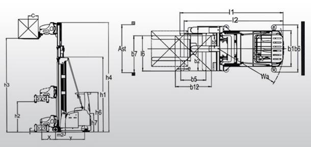
三向电动叉车
最小起订:
1
有效期至:
长期有效
更新时间:
2014-06-19 14:02
立即询价
加入收藏
普通商家
沃帕(上海)工业设备有限公司
经营模式:
叉车及物流搬运设备制造商
地区:
中国上海市徐汇区
电话:
400-019-0081
进入店铺
联系方式
分享到:
热门推荐
林德 柴油叉车2.5-3.5吨
丰田中型工况:内燃平衡重(柴油/汽油/LPG) FDZN/FGZN20-30
上海永恒力DFG/TFG 540s–550s柴油/液化气叉车(液压传动组件,4000,4500,5000公斤)
上海海斯特叉车(热销产品)
柳工CLG2020H-35H-CLG系列
斗山:D40N,D45N,D50NC
杭叉A系列2.0-3.8吨内燃叉车
企业推荐产品
更多>
前移式全电动沃帕堆高车
平衡重堆高机
全电动沃帕堆高机
全电动前移式堆高车
铝合金单宽度快装脚手架
半电动取货机(二级门架)
全电动高空取料机(二级门架)
半电动取货机(三级门架)
产品详情
产品参数
产品图片