您好,
帐号管理
收藏夹
退出
消息
0
请登录
免费注册
发布订购
English
手机关注
微信号:chinaforklift
关注官方微信
m.chinaforklift.com
手机扫码看新闻
我的办公室
销售
发布产品
管理产品
求购
发布求购
管理求购
添加收藏
关于我们
广告服务
中叉网广告服务
配件网广告服务
属具网广告服务
关键词排名
会员升级
帮助中心
常见问题
买家帮助
卖家帮助
问题反馈
网站导航
资讯
公司
品牌
整机
配件
属具
二手
租赁
采购
展会
视频
招聘
求职
专题
百科
期刊
首页
资讯
公司
品牌
整机
配件
属具
二手
租赁
采购
展会
视频
招聘
求职
专题
百科
期刊
AGV
安全
地图
供应信息
制造商铺
代理商铺
配件商铺
国产叉车
进口叉车
合资叉车
叉车配件
叉车属具
叉车安全
防爆叉车
电动叉车
堆高机
燃料电池
整机品牌
配件品牌
属具品牌
配件商:
资讯
资讯
公司
品牌
整机
配件
属具
采购
展会
视频
专题
百科
期刊
搜索
代理商:
制造商:
您的位置:
首页
>
整机
>
叉车整机
>
仓储叉车
>
堆高机
> 产品详情
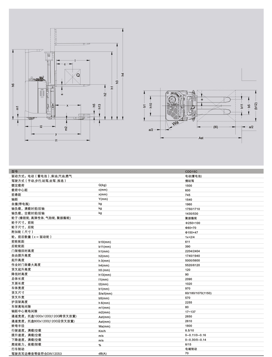
宁波如意托盘式电动堆垛车
最小起订:
1
有效期至:
长期有效
更新时间:
2013-05-18 14:27
立即询价
加入收藏
普通商家
如意西林叉车广东销售服务中心
经营模式:
叉车整机代理/销售商
地区:
中国广东省佛山市
电话:
400-019-0081
进入店铺
联系方式
分享到:
热门推荐
安徽合力:G系列 8.5-10吨柴油平衡重式叉车
丰田:电动四轮平衡重叉车 8FBJ35
合肥搬易通 MiMA(米玛)磁带导航智能堆高车
林德电动叉车2.5-3.0吨(2007E代双雄) E25S E30S
宇锋智能 平衡重式叉车AGV
三一:3吨锂电平衡重叉车SCP30C6
企业推荐产品
更多>
防爆叉车-西林电动防爆叉车-如意电瓶叉车 CPD15EX
叉车前移式叉车-佛山电动叉车-中山电瓶叉车 CQD
如意平台车-西林手动平台车-佛山电动平台车 SP/SOPS/SPT
西林叉车-如意西林电动堆高车-广州佛山双托盘堆垛车 CDD10S
宁波如意电动防爆叉车
宁波如意内燃叉车
宁波如意前移式电动叉车
宁波如意电动托盘叉车
产品详情
产品参数
产品图片