| XR 电动前移式堆垛车技术参数 |
|
特 性 |
1 | 产品型号 | XR15 | |
| 2 | 驱动形式 | 电动 | ||
| 3 | 驾驶方式 | 站驾式 | ||
| 4 | 额定载荷 | Q kg | 1500 | |
| 5 | 载荷中心 | C mm | 500 | |
| 6 |
前悬距 |
X mm | 446 | |
| 7 | 轴距 | Y mm | 1390 | |
|
重 量 |
1 |
自重(不含电池) |
kg | 1700 |
| 2 |
桥荷满载(前/后) |
kg | 1338/2112 | |
| 3 |
桥荷空载(前/后) |
kg | 1372/578 | |
|
轮 子 |
1 | 轮胎 | 聚胺酯轮 | |
| 2 | 驱动轮尺寸 | mm | 230×75 | |
| 3 | 承载轮尺寸 | mm | 210×85 | |
| 4 | 平衡轮尺寸 | mm | 125×60 | |
| 5 |
轮子数量(前/后)(x=驱动轮) |
1x-2/2 | ||
| 6 | 前轮距 | mm | 740 | |
| 7 | 后轮距 | 985 | ||
|
基 本 尺 寸 |
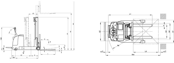
1 |
总高(货叉最低时) |
1780 | |
| 2 | 自由提升高度 | h2 mm | 90 | |
| 3 | 起升高度 | h3 mm | 2500 | |
| 4 |
最大高度(货叉最高时) |
h4 mm | 3440 | |
| 5 | 货叉离地高度(最低时) | h5 mm | 40 | |
| 6 | 操作手柄离地高度(最大/最小) | h6 mm | 1380/1020 | |
| 7 | 总长 | L1 mm | 2090 | |
| 8 | 货叉前端面至前部距离 | L2 mm | 1185 | |
| 9 | 总宽 | b1 mm | 1090 | |
| 10 |
货叉尺寸 |
s/e/l mm |
100/40/905 | |
| 11 | 货叉外宽 | b3 mm | 200-720 | |
| 12 | 前移距离 | L3 mm | 580 | |
| 13 | 最小离地间隙 | m mm | 55 | |
| 14 | 直角堆垛通道宽度,托盘1000×1200 (1000沿货叉边) |
Ast mm | 2410 | |
| 15 | 直角堆垛通道宽度,托盘800×1200 (1200沿货叉边) |
Ast mm | 2610 | |
| 16 | 转弯半径 | Wa mm | 1656 | |
| 17 | 导轨间内宽 | b4 mm | 780 | |
|
性 能 |
1 |
行驶速度 满载/空载 |
km/h | 4.8/5.6 |
| 2 |
提升速度 满载/空载 |
mm/s | 90/120 | |
| 3 |
下降速度 满载/空载 |
mm/s | 125/80 | |
| 4 |
最大爬坡能力 满载/空载 |
% | 5/8 | |
| 5 | 制动方式 | 电磁制动 | ||
|
电 |
1 | 驱动电机功率 | kw | 1.5 |
| 2 | 提升电机功率 | kw | 2.2 | |
| 3 | 蓄电池电压/容量 | V/Ah | 24/240 | |
| 4 | 蓄电池重量 | kg | 250 | |
|
其 它 |
1 | 控制方式 | 场效应管控制 | |
| 2 | 整车噪音 | dB(A) | <70 | |
| 高度参数 |
| 1 | 总高 | h1 mm | 2030 | 2230 | 1780 | 2030 | 2180 | 2380 | 2530 |
| 2 | 自由提升高度 | h2 mm | 1000 | 1200 | 90 | 90 | 90 | 90 | 90 |
| 3 | 起升高度 | h3 mm | 1600 | 1800 | 2500 | 3000 | 3300 | 3700 | 4000 |
| 4 | 最大高度 | h4 mm | 2540 | 2740 | 3440 | 3940 | 4240 | 4640 | 4940 |
![]() |