1.谐振脉冲蓄电池修复理论基础:
按照原子物理学和固体物理学的原理,硫离子具有5个不同的能级状态,通常处于亚稳定能级状态的离子趋向于迁落到最稳定的共键能级而存在。在最低能级(即共价键能级状态),硫以包含8个原子的环形分子形式存在,这8个原子的环形分子模式是一种稳定的组合,难以被打碎,多次发生这样的情况,形成蓄电池的不可逆硫酸盐化——硫化。
要打碎这些硫酸盐层的束缚,就要将原子的能级提升到一定的程度,使原子之间解除束缚。每一个特定的能级都有唯一的谐振频率,通过提供一些能量,才能够使得被激活的分子迁移到更高的能级状态,太低的能量无法达到跃迁所需要的能量要求,而过高的能量会使已经脱离了束缚而跃迁的原子处于不稳定状态,又回落到原来的能级。所以必须通过多次谐振,使其中一次脱离束缚,达到最活跃的能级状态而又没有回落到原来能级,进而在充电时参与电化学反应,重新转化为活性物质。
除硫过程中硫酸铅的微观变化
2.谐振脉冲去除硫化的技术原理:
任何晶体在分子结构确定以后都有谐振频率,而这个谐振频率与晶体的尺寸有关,晶体的尺寸越大,谐振频率越低。如果充电采用前沿陡峭的脉冲,利用傅里叶级数进行频率分析知道脉冲会产生丰富的谐波成分,其低频部分振幅大,高频部分振幅小。这样,大硫酸铅结晶获得的能量大,小硫酸铅结晶获得的能量小,从而形成大硫酸铅结晶谐振的振幅大,在正脉冲充电期间比小硫酸铅结晶容易被击碎,适当控制脉冲电流值,以较小的电流对极板充电,不会对极板产生损伤。
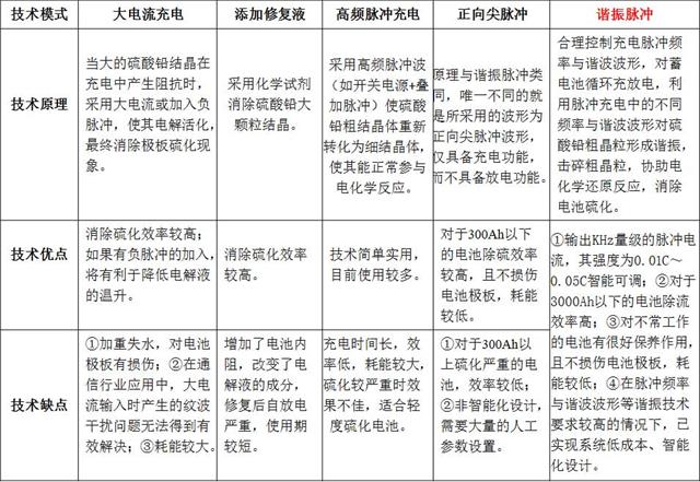
3.铅酸蓄电池修复技术比较:
谐振脉冲蓄电池修复技术是采用物理的方法连续清除铅酸蓄电池极板上的结晶硫化物,并有效地抑制新的结晶硫化物产生,恢复和保证蓄电池稳定的容量输出,从根本上改善铅酸蓄电池的工作性能,大大延长蓄电池的使用寿命。
几种除硫技术对比情况
除了谐振脉冲修复技术,现在市场上存在的还有大电流充电法、加修复液、高频脉冲等铅酸蓄电池修复方法,虽然都在短期内能起到一定的效果,但仍存在一些不可忽视的问题,诸如对极板有损伤、纹波干扰大、能耗大效率低等,而谐振脉冲修复技术属于真正无损修复。
2025-10-15 11:14
2025-10-15 11:14
2025-10-15 11:14
2025-10-15 11:14
2025-10-15 11:14
2025-10-15 11:14
2025-10-15 11:14
2025-10-15 10:57
2025-10-15 10:52
2025-10-15 09:15

